DIY speaker amplifier
Sound amplifiers in stores are expensive and not always of high quality. Consequently, there is a desire to do it yourself. This article will tell you how to do this.

The content of the article
Is it possible to make a speaker amplifier with your own hands?
There are a large number of speaker amplifiers available at various retail outlets, but any radio enthusiast can create one without much effort. Making speaker amplifiers by hand is much more economical. No special knowledge is required to create it. All you need is desire and knowledge of how to assemble it correctly, having previously purchased the necessary materials. Below we will look at detailed instructions for assembling homemade amplifiers.

How to assemble a stereo amplifier for speakers with your own hands 12V
Anyone who decides to create an amplifier for speakers is primarily interested in the components that are needed for assembly. Such devices operate using microcircuits and transistors, although there are also cases where lamps are used.

Recommendations
A hand-crafted audio amplifier based on chips like TDA and the like heats up very quickly. In order to prevent overheating, it is necessary to install radiator grilles. The sizes and types of gratings depend on the type of microcircuits and the power of the device being created. Therefore, it is necessary to first leave space for it in the case.
Attention: Manual creation of an amplifier must be taken seriously to avoid short circuits and failure of device components.
What you will need during the process
To start making the device, you will need:
- frame;
- plug;
- power unit;
- chip;
- switch button;
- wiring;
- cooling radiator;
- screws;
- hot melt adhesive with thermal paste;
- soldering iron and rosin.
The drill is an expander. It is necessary for drilling holes in plastic or metal. This is a very convenient and precise tool with which you can easily assemble the case.- Microcircuits. The necessary TDA type microcircuits can be easily found on store shelves. As an alternative, you can disassemble the old TV and remove the required microcircuit from there.
- Transistors. Transistors are convenient due to their low energy consumption and the fact that they are easy to install in any device. They transmit sound perfectly and do not need to be adjusted.
- Lamps. Few people create devices based on lamps anymore. But, nevertheless, such devices have excellent sound parameters. Such devices have a large number of disadvantages: they consume a lot of energy, take up a lot of space, are heavier than conventional ones, and are expensive.
Having dealt with the necessary components, you can begin assembling the device.
Diagrams and assembly instructions
There are many circuits for assembling amplifiers. They primarily depend on whether the equipment is old or digital, the size and power source of the device. The circuits are assembled on a printed circuit board, which will ultimately make the device compact. You should also have a soldering iron available for assembly.
The circuit, which was developed by the British John Linsley-Hood, is based on the use of four transistors without the use of microcircuits. This circuit allows you to accurately reproduce the shape of the input signal, which ultimately results in high-quality amplification and a sine wave.
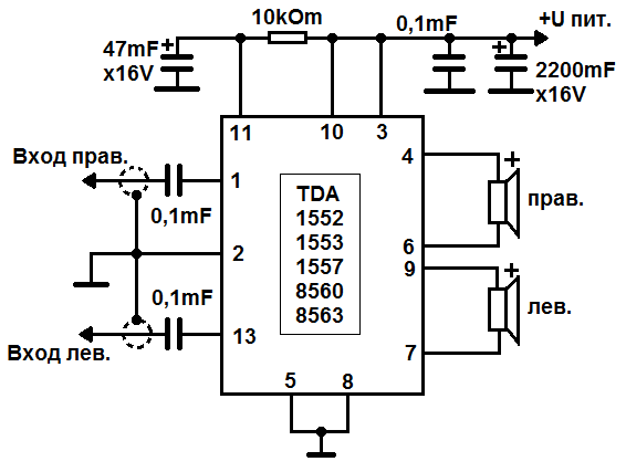
Reference. The simplest type of circuit is to create an amplifier based on a microcircuit that contains transistors and capacitors.
Only professionals can create their own circuits. For beginners, there is the Sprint Layout program, where you can view the diagrams and select the one you need.

DIY amplifier for car radio
It happens that the sound of music in the car is not as high quality as we would like. For those who do not want to spend a lot of money on amplifiers, there is the opportunity to assemble the amplifier yourself.
To implement such an idea, the TDA8569Q chip is quite suitable. It is very popular due to its characteristics:
- voltage ranges from six to 18 volts;
- high input power;
- emits a frequency from 20 to 20,000 Hz.
The first step in the assembly will be drawing the circuit board. Then it is recommended to treat the board with ferric chloride. Next you need to solder all the components of the chip. In order to avoid power additives, a thick layer of solder is needed. Also, we must not forget to leave space on the case for the radiator grille, which acts as cooling.

DIY computer speaker amplifier for dummies
When watching movies or listening to music, the power of standard speakers is often not enough for us. Below we will describe in detail how you can create a speaker amplifier manually. When creating an amplifier, you should take into account the power of external speakers, which is no more than two watts, and the resistance of the windings, which is equal to four ohms.
To assemble the device you will need the following components:
- printed circuit board;
- 9 - volt power supply;
- TDA series microcircuit;
- frame;
- the following capacitors: two non-polar 0.2 µF, polar 100 µF, polar 220 µF, polar 470 µF;
- constant resistor. 10 Kom m 4.7 Ohm;
- button - switch;
- input connector.

Creation instructions
The process of assembling an amplifier for a computer directly depends on the circuit you have chosen. It is only important to leave space on the body for the radiator grilles. They are important because they allow air from the external environment to cool the chips.
- The first step will be to install the radio components on the printed circuit board, observing the polarity.
- We assemble the body. When assembling the case, you should provide space for radiator grilles and other additional parts. You can create the case yourself or purchase a ready-made one. You can also mount a board into the case.
- To identify malfunctions, you should turn on the device in test mode.
- Assembling the amplifier. To do this, connect to the power supply.
Assembling any type of speaker amplifiers at home is a doable task that every novice radio amateur can handle. The simplicity lies in the fact that to start assembly you only need to purchase the necessary materials for subsequent soldering. Then you just need to review all possible and available schemes, and choose the one that suits you. The main advantage is savings. After all, buying such a device in a store will cost much more.

I support! I went a slightly different route: I bought a whole working music on AVITO. "Quince" center with a linear AUX input (CDs no longer spun, cassettes too, the radio worked great, as did the speakers, power 45 W (RMS) per channel! For only 1200 rubles.
hello, I also have Quince, only the receiver works, tell me how you did it, maybe I have a photo,


No need to worry! It is known that in the sphere of consumption where there is overproduction, prices fall significantly. So here it is. A very decent car amplifier can be bought from 1 thousand rubles. With good characteristics in terms of power, frequency response and signal-to-noise ratio. And we attach a computer power supply to it. How to do this is on YouTube. Assembly will not take more than 15 minutes. I have exactly the same assembly, it cost 1600.